视频课程精选
- 2019-1-8 21:39 发布
- 浏览 751 次
- 下载 1 次
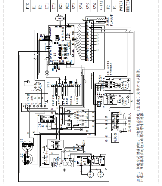
志高CMV直流变频室外机安装维修手册
8
分
-
大小: 2M价格: 1 百家币更新时间: 2019-01-08
资料简介
志高CMV直流变频室外机安装维修手册
志高下载排行
名称
趋势
下载量
志高最新收录
名称
趋势
浏览量
-
志高空调立柜机安装维修手册 875
-
志高风冷冷热水模块机控制器说明书(内部) 1439
-
志高CMV多联机安装手册 1955
-
志高模块机技术安装维修手册 (161页) 4331
热门排行

















