• 公众号

    每天获取免费知识

  • 视频号

    扫一扫免费观看视频

    -->
  • 直播平台

    进入视频直播平台

  • 注册会员

  • 联系客服
    点击联系客服

    在线时间:9:00-18:00

    客服微信

    xiaoniba95

    电子邮件

    coolgou1987@126.com
  • 客服微信

    扫描二维码

    添加客服微信号

  • APP下载

    制冷APP

    制冷百家网络大学

  • 微信公众

    扫描二维码

    关注制冷百家微信公众号

【毕业设计】5KW复合能源空调热水系统

[复制链接]
admin 发表于 2018-4-20 14:37:37 | 显示全部楼层 |阅读模式 打印 上一主题 下一主题
【毕业设计】5KW复合能源空调热水系统
  • 文件大小10MB
  • 上传时间2018-04-20
  • 下载权限制冷原理VIP、全站VIP、终极VIP
  • 提取码免费资料,注册会员下载全套
分享至:


一、资料介绍:

1)、毕业设计原文
2)、毕业设计开题报告
3)、毕业设计外文翻译
4)、毕业设计答辩申请
5)、毕业设计配套系统图
6)、毕业设计配套组装图
7)、毕业设计配套零部件图
8)、毕业设计配套电气图

二、内容摘要:

能源和环境是当今世界的两大社会问题,能源的重要性尤为突出,如何有效的利用太阳能日益显得重要。太阳能复合能源空调热水系统,是利用水冷冷凝器的形式回收空调冷凝热,并用于生活热水的初级加热,利用太阳能对生活热水进行二次加热供全年生活热水使用。该系统将太阳能热水器与传统蒸汽压缩式家用空调进行有机结合:在压缩机的排气侧用一个制冷剂的排气换热器替代了原有的空气制冷剂的换热器,提高进入太阳能集热器的用户侧回水温度[1]

本文主要介绍了5kw复合能源空调热水系统的设计思路及主要零部件的设计计算。对太阳能复合能源空调热水系统的工作原理及其优点进行了简要介绍。介绍了制冷剂的分类和选择原则;蒸发器的概述和分类;冷凝器的概述和分类。先后定性的分析了制冷剂的选择、压缩机的选用、冷凝器的水冷换热方式的确定、蒸发器换热方式的确定、节流机构的选择以及相关辅助设备的选择计算。在定量计算上详细介绍了热力计算、冷凝器的设计计算、蒸发器的设计计算、节流机构的选择计算以及其他辅助设备的选择过程。

二、部分资料截图:
目录jpg_页面_1.jpg
目录jpg_页面_2.jpg
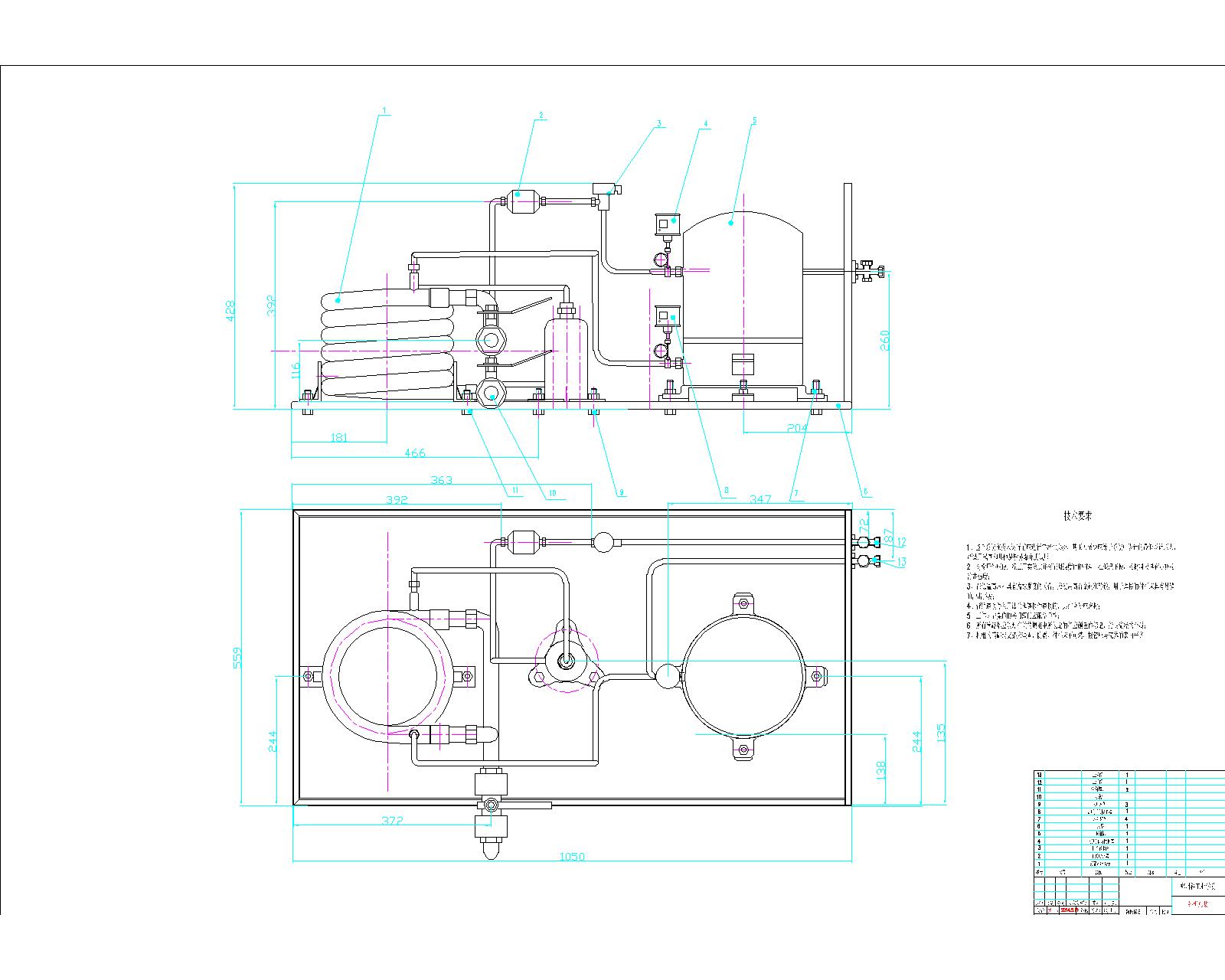
室内机总装图-Model.jpg
室外机总装图-Model.jpg








回复

使用道具 举报

您需要登录后才可以回帖 登录 | 立即注册

本版积分规则

关注0

粉丝280

帖子330

发布主题
关闭

站长推荐课程 上一条 /1 下一条

制冷行业在线学习平台
资 料 申 明
本网站只做资料收集和整理
整理不易,接受自愿打赏

联系微信号

tuzige1986 在线QQ咨询
{360自动收录;}