• 公众号

    每天获取免费知识

  • 视频号

    扫一扫免费观看视频

    -->
  • 直播平台

    进入视频直播平台

  • 注册会员

  • 联系客服
    点击联系客服

    在线时间:9:00-18:00

    客服微信

    xiaoniba95

    电子邮件

    coolgou1987@126.com
  • 客服微信

    扫描二维码

    添加客服微信号

  • APP下载

    制冷APP

    制冷百家网络大学

  • 微信公众

    扫描二维码

    关注制冷百家微信公众号

【毕业设计】800KW水源热泵机组设计

[复制链接]
admin 发表于 2018-4-20 15:59:45 | 显示全部楼层 |阅读模式 打印 上一主题 下一主题
【毕业设计】800KW水源热泵机组设计
  • 文件大小9MB
  • 上传时间2018-04-20
  • 下载权限制冷原理VIP、全站VIP、终极VIP
  • 提取码免费资料,注册会员下载全套
分享至:



一、资料介绍:

1)、毕业设计原文
2)、毕业设计开题报告
3)、毕业设计外文翻译
4)、毕业设计答辩申请
5)、毕业设计配套系统图
6)、毕业设计配套组装图
7)、毕业设计配套零部件图
8)、毕业设计配套电气图


二、内容摘要:

水源热泵是以地下水(深井水、泉水、地下热水等)或地表水(河川水、湖水、海水等)作为热泵的低位热源,分为地下水水源热泵和地表水水源热泵。水源热泵装置利用热泵原理源源不断的将水中的低位热能向高位热能转移,与其他形式的热泵相比具有很多优点。本次设计是根据初始参数来设计水源热泵空调系统的。
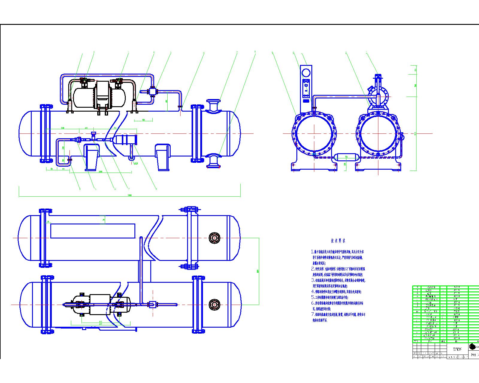
本文首先介绍了热泵的原理和分类、水源热泵的发展、原理、特点及其组成的空调系统。其次,详尽介绍了水源热泵系统机组的选择,再次,说明了设计过程,包括管壳式换热器的热力计算、结构设计、阻力校核,并按照设计题目完成计算说明书。在整个水源热泵空调系统设计过程中,热力计算是首要因素,它主要包括温差、传热系数、换热面积和阻力等的计算。结构设计主要是设计热泵系统的蒸发器和冷凝器。本系统蒸发器采用满液式壳管式,冷凝器采用卧式壳管式,同时要确定换热管数量以及其他相关尺寸等。
随着我国经济的发展,水源热泵系统的应用会越来越广。怎样选择最经济的制冷方式,怎样使系统运行更节能是一个值得认真研究和实践的课题。

三、部分资料截图:
目录1.jpg
目录2.jpg
04版本满液式蒸发器-Model.jpg
04版本装配图-Model.jpg
04版本流程图-Model.jpg





回复

使用道具 举报

您需要登录后才可以回帖 登录 | 立即注册

本版积分规则

关注0

粉丝275

帖子328

发布主题
一周下载排行最近7x24小时热帖
最新发布
关闭

站长推荐课程 上一条 /1 下一条

制冷行业在线学习平台
资 料 申 明
本网站只做资料收集和整理
整理不易,接受自愿打赏

联系微信号

tuzige1986 在线QQ咨询
{360自动收录;}