• 公众号

    每天获取免费知识

  • 视频号

    扫一扫免费观看视频

    -->
  • 直播平台

    进入视频直播平台

  • 注册会员

  • 联系客服
    点击联系客服

    在线时间:9:00-18:00

    客服微信

    xiaoniba95

    电子邮件

    coolgou1987@126.com
  • 客服微信

    扫描二维码

    添加客服微信号

  • APP下载

    制冷APP

    制冷百家网络大学

  • 微信公众

    扫描二维码

    关注制冷百家微信公众号

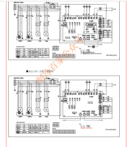
麦克维尔MAC模块机应用手册

[复制链接]
admin 发表于 2018-9-3 22:29:20 | 显示全部楼层 |阅读模式 打印 上一主题 下一主题
麦克维尔MAC模块机应用手册
  • 文件大小6MB
  • 上传时间2018-09-03
  • 下载权限中央空调VIP、全站VIP、终极VIP
  • 提取码免费资料,注册会员下载全套
分享至:



资料名称:麦克维尔MAC模块机应用手册

下载权限:中央空调VIP、全站VIP、终极VIP;

介绍:




20180902225724.jpg

20180903222738.jpg

20180903222753.jpg


回复

使用道具 举报

您需要登录后才可以回帖 登录 | 立即注册

本版积分规则

关注0

粉丝281

帖子333

发布主题
关闭

站长推荐课程 上一条 /1 下一条

制冷行业在线学习平台
资 料 申 明
本网站只做资料收集和整理
整理不易,接受自愿打赏

联系微信号

tuzige1986 在线QQ咨询
{360自动收录;}